返回上一页

汽车变速箱压力传感器

汽车变速箱油压压力传感器用于测量变速箱油压压力。测量精度高,使得变速箱控制器能够对优雅精确测量;产品可靠性好,使用寿命长,适宜在汽车系统恶劣环境下工作;陶瓷电容结构,对测量介质兼容性好。

联系我们

汽车变速箱压力传感器

产品参数

工作压力:1~ 10MPa (范围可调整)

精度:+1.0%F.S.(线性,迟滞性,重复性)

全误差带:+3.0%FS.(-40°C~+135C),另有高精度版本可选

运行温度:-40C~+140°C

存储温度:-40°C~+ 150°C

保护压力:15Mpa

爆破压力:20Mpa

工作介质:润滑油

振动:10g(50~ 2000Hz)

防护等级:IP68

供电电压:5.010.25VDC

输出电压:0.5-4.5VDC(5V范围内可调整)

供电电流:10mA(最大)

负载阻抗:10KQ(典型)

输出响应时间:3mS

过压保护:16VDC

反向电压家:14VDC

短路保护:有

EMC(512MHz-1GHz):50V/m

EMC(1MHz- 512MHz):100V/m

ESD:15KV

应用范围

汽车变速箱控制系统

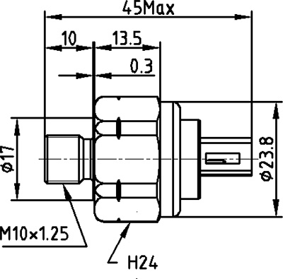
产品结构图

汽车变速箱压力传感器产品结构图

相关产品

需要定制解决方案?

我们曾经为奥迪、大众、丰田等品牌提供专业服务。了解一下?

联系我们

客户服务中心热线 微信客服