精密网络电阻是将若干个分立电阻通过印刷技术集中组合成一个多pin电阻。如此的集成封装所占空间少,又可提高跟踪温飘和跟踪精度,因此直接使用网络电阻比使用若干个分立电阻更为方便,电气性能更好。温飘低,阻抗相对精度可实现0.1%,具有极好的长期稳定性,多用于对于精密测量有很高要求的场合。
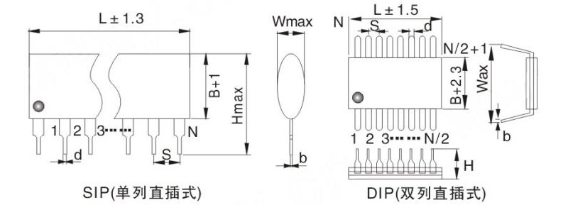
| 型号 | 外形尺寸(MM) | 引脚 | 功率(W) | 阻值范围(Ω) | 允许偏差(%) | 温度系数(X10-6/℃) | 极限电压(V) | ||||||
|---|---|---|---|---|---|---|---|---|---|---|---|---|---|
| L | B | W | H | S | d | b | |||||||
| SIP | 15 | 6 | 3.6 | 13 | 2.54 | 0.5 | 0.25 | 4,5,6 | 0.05 | 10~20M | ±1 ±2 ±5 |
±250 | 100 |
| 20 | 6,7,8 | 0.125 | |||||||||||
| 25 | 8,9,10 | 0.25 | |||||||||||
| 30 | 10,11,12 | 0.25 | |||||||||||
| DIP | 18 | 7 | 9 | 10 | 2.54 | 0.5 | 0.25 | 14 | 0.125 | ||||
| 21.5 | 16 | 0.125 | |||||||||||
产品性能
| 项目 | 性能要求 | 测试方法 |
|---|---|---|
| 可焊性 | 95% | 235±5℃、2±0.5S |
| 引出脚强度 | 无机械损伤 | 20N、30S |
| 恒温恒湿 | ≤±(1%R+0.05Ω) | 40±2℃、RH93±3% |
| 振动 | ≤±(1%R+0.05Ω) | 10-1000Hz、0,75mm、200m/S2 |
| 冲击 | ≤±(1%R+0.05Ω) | 1000m/S2、6mS |
| 过载 | ≤±(1%R+0.05Ω) | 2.5VR,5S |
| 70℃耐久性 | ≤±(2%R+0.05Ω) | 70℃、PR、1000h |
特征
◉工作电压:DC 0~36V AC 0~220V(可定制)
◉额定功率:1/8W,1/4W
◉电阻阻值:0.5~1MΩ
◉温度系数:0±50ppm/˚C
◉绝缘电阻:>100MΩ
◉阻抗精度:1‰Ω
应用
◉汽车电子电路
◉高频电路
◉无线供电电路
◉射频电路