返回上一页

汽车空调压力传感器

汽车用空调压力传感器可以测量空调系统冷媒压力,以供ECU进行实时监控、优化系统控制策略、降低怠速,节约能耗。测量精度高,能够保证ECU对空调系统实现优化控制策略;根据客户选择,有PWM或电压输出接口型式;陶瓷电容结构,响应速度快,对测量介质兼容性好。

联系我们

汽车空调压力传感器

产品参数

工作压力:0~3.6Mpa(范围可调整)

精度:±1.0%F.S.(线性,迟滞性,重复性,标定)

全误差带:±1.5%F.S.(-20℃~+85℃) ±2.5%F.S.(-40℃~+135℃)

运行温度:-40℃~+135℃

存储温度:-40℃~+150℃

保护压力:5.4Mpa

爆破压力:7.2Mpa

工作介质:HFC134a,PAG Oil

振动:11g(50~2000Hz)

防护等级:IP65

供电电压:5.0±0.25VDC

输出电压:0.5~4.5VDC(5V范围内可调整)

供电电流:10mA(最大)

负载阻抗:10KΩ(典型)

输出响应时间:3mS

过压保护:16VDC

反向电压:-14VDC

短路保护:有

EMC(512MHz—1GHz):50V/m

EMC(1MHz—512MHz):100V/m

ESD:15KV

应用范围

汽车空调

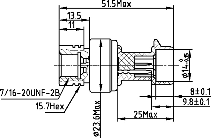
产品结构图

汽车空调压力传感器产品结构图

相关产品

需要定制解决方案?

我们曾经为奥迪、大众、丰田等品牌提供专业服务。了解一下?

联系我们

客户服务中心热线 微信客服